Historie hledání
TEXTAR brzdový buben 94018100 Ean: 4019722195143
- Kód výrobce: 94018100 , 98100 0181 0 1 ,
- Objednací kód:
- Název: Brzdový buben
- Ean: 4019722195143
Hmotnost [kg]: 5,1 kg
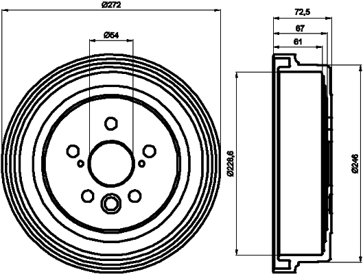
Vnější průměr brzdového bubnu [mm]: 272 mm
max. hodnota stočení bubnu (v mm): 230,6 mm
Výška brzdového bubnu vnitřní [mm]: 55 mm
Výška brzdového bubnu celková [mm]: 71 mm
Počet děr v brzdovém bubnu: 05/08
Kruhový vyvrt ? 2 [mm]: 100 mm
Doplňující výrobek/info 2: bez ložiska (kola)
Doplňující výrobek/info 2: bez šroubů vozidlového kola
Doplňující výrobek/info 2: bez náboje kola
Vnitřní průměr brzdového bubnu [mm]: 228,5 mm
Referenční
- A.B.S.: 2503S
- ABE: C62041ABE
- BENDIX: 329084B
- BRECO: BT5812
- BREMBO: 14581210
- HELLA PAGID: 8DT355302331
- HELLA PAGID: 355302331
- KAVO PARTS: BD9605
- MINTEX: MBD125
- sbs: 1825254511
- TEXTAR: 98100018101
- Toyota: 4243132030
