Historie hledání
PAGID brzdový buben 61329 Ean: 4007590173936
- Kód výrobce: 61329 , 98100 0326 ,
- Objednací kód:
- Název: Brzdový buben
- Ean: 4007590173936
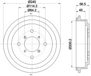
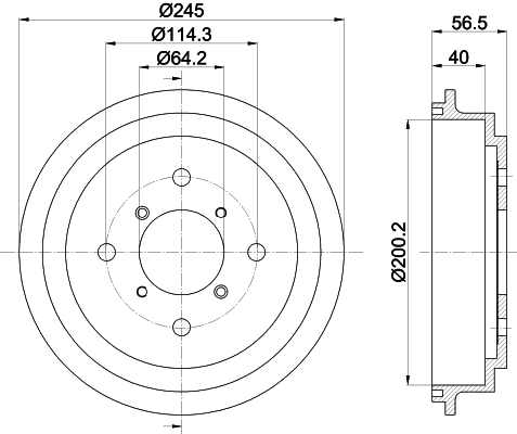
rozměr bubnu: 200,2 mm
Výška brzdového bubnu vnitřní [mm]: 40 mm
Brzdový buben vnější průměr [mm]: 245 mm
Výška brzdového bubnu celková [mm]: 56,5 mm
Počet děr v brzdovém bubnu: 04/08
Kruhový vyvrt ? 2 [mm]: 114,3 mm
max. hodnota stočení bubnu (v mm): 202 mm
Centrovací průměr [mm]: 64,2 mm
Hmotnost [kg]: 3,8 kg
Doplňující výrobek/info 2: bez ložiska (kola)
Doplňující výrobek/info 2: bez náboje kola
Doplňující výrobek/info 2: bez šroubů vozidlového kola
