Historie hledání
PAGID brzdový kotouč 55299 Ean: 4007590233678
- Kód výrobce: 55299 , 98200 2299 ,
- Objednací kód:
- Název: Brzdový kotouč
- Ean: 4007590233678
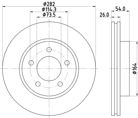
Výška ( v mm ): 54 mm
Hmotnost [kg]: 7,1 kg
typ brzdového kotouče: vnitřně ventilováno
síla brzdového kotouče v mm: 26 mm
minimální tloušťka (v mm): 24,4 mm
Počet děr v brzdovém bubnu: 05/05
Vnější průměr [mm]: 282 mm
Centrovací průměr [mm]: 73,5 mm
Kruhový vyvrt ? 2 [mm]: 114,3 mm
povrch: nátěr
Doplňující výrobek/info 2: bez náboje kola
Doplňující výrobek/info 2: bez šroubů vozidlového kola
