Historie hledání
PAGID brzdový kotouč 54746 Ean: 4007590100192
- Kód výrobce: 54746 , 98200 1746 ,
- Objednací kód:
- Název: Brzdový kotouč
- Ean: 4007590100192
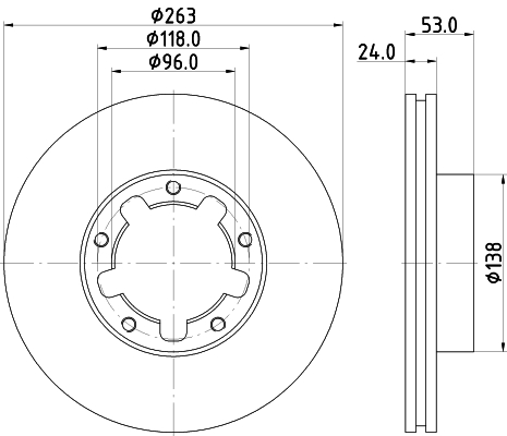
Výška ( v mm ): 53 mm
Hmotnost [kg]: 6,4 kg
typ brzdového kotouče: vnitřně ventilováno
síla brzdového kotouče v mm: 24 mm
minimální tloušťka (v mm): 22 mm
Počet děr v brzdovém bubnu: 05/05
Vnější průměr [mm]: 263 mm
Centrovací průměr [mm]: 96 mm
Kruhový vyvrt ? 2 [mm]: 118 mm
povrch: nátěr
Doplňující výrobek/info 2: bez náboje kola
Doplňující výrobek/info 2: bez šroubů vozidlového kola
