×
logo HART

HART

HART SP. Z O.O.

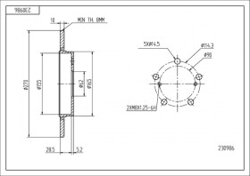
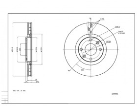
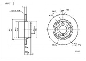
v našem katalogu nabízíme 926 položek Brzdový kotouč od HART

Naši dodavatelé